home-icon/Products / Infrared Detections Modules / Accessories / Accessories to the AMS Detection Module Series / Differential amplifier for the TO46 detectors TO46-3.6k-AMP

Differential amplifier for the TO46 detectorsTO46-3.6k-AMP

The TO46-3.6k-AMP is a differential amplifier designed especially for single-channel  TO46 detectors. Providing compatibility with the AMS accessories it enables fast evaluation of the detector in test environments.  Wide frequency bandwidth and low 1/f noise corner frequency provide efficient measurements with generally available sources of radiation, including MEMS heaters and pulsed LEDs or lasers. With differential output, the amplifier offers easy connectivity over tiny and low-cost connectors with high immunity to electromagnetic interference.

Features

Compatible with single-channel TO46 detectors

Compatible with AMS accessories

Low 1/f noise corner

Bandwidth: DC up to 7 MHz

Single, low-voltage power supply: 3.3 V

Differential output

Small board-to-board connector

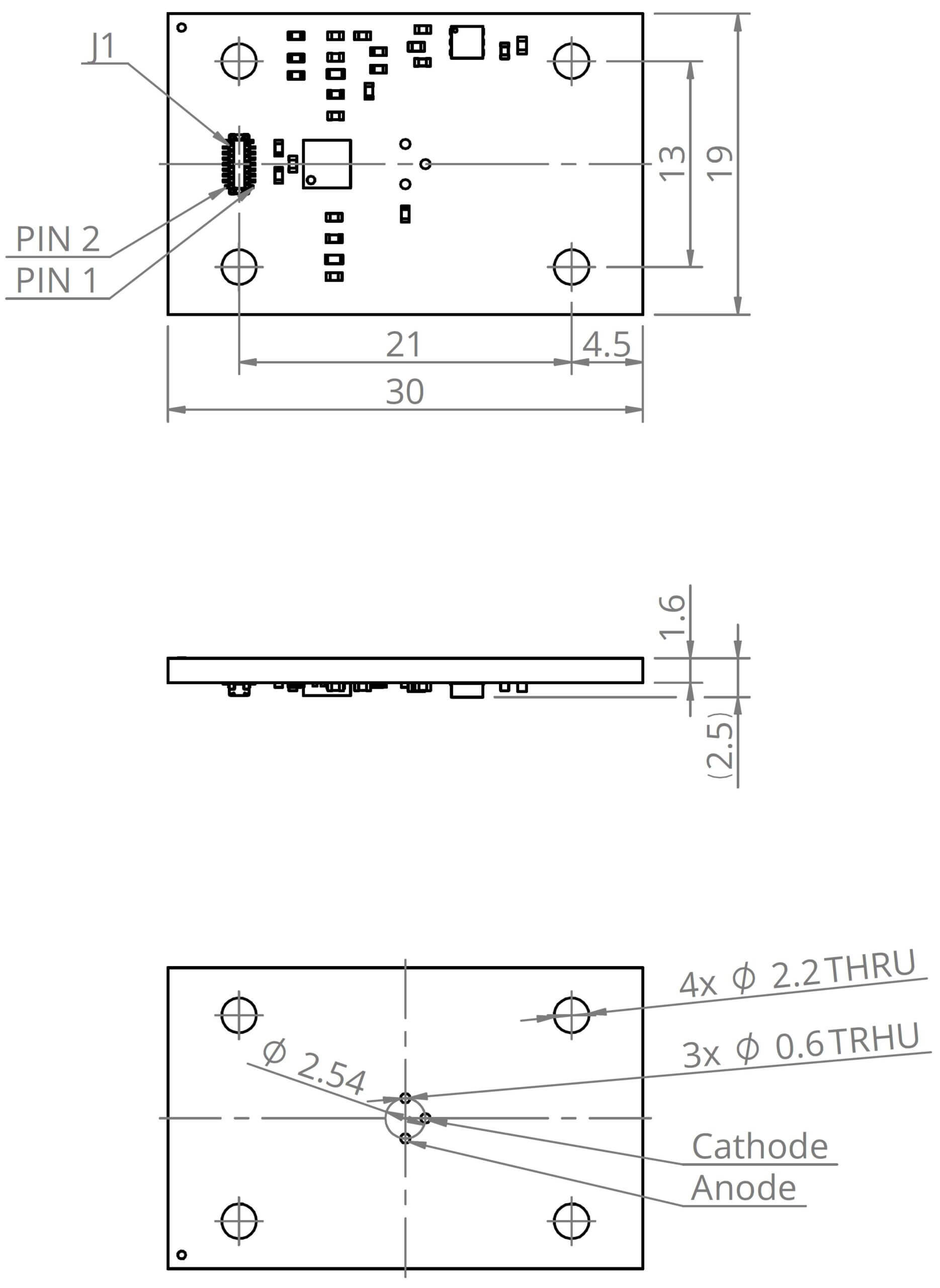
Small dimensions: 30 mm × 19 mm × 10 mm

Low weight: 5 g

Mechanical layout

(Unit: mm)

Technical drawing of an electronic circuit board showing top, side, and bottom views, with labeled dimensions, mounting holes, connector J1 with PIN 1 and PIN 2, and anode/cathode positions indicated.
form-close

Access to file

Access to this file is limited. In order to download it, please provide all the information and submit the form.

download-icon

Application notes password-padlock

Temperature sensor characteristics

I agree to the processing of personal data with the VIGO Privacy Policy

green-checkmark

Thank you!

This file has been sended to your e-mail.

For more information, please contact us directly:


    SalesSupport

    Detectors ModulesEPI-wafers