home-icon/Products / Infrared Detections Modules / Configurable Line / Medium-size, transimpedance MIP amplifier series

Medium-size, transimpedance amplifierMIP series

MIP is a series of medium-size, transimpedance, DC or AC coupled amplifiers. They are designed to operate with either biased or non-biased IR detectors. MIP is equipped with a fan and does not require any additional external heatsink. It is one of the most user-friendly amplifiers which surely facilitate work.

Features

Compatible with VIGO TE-cooled IR detectors in the TO8 package

Frequency bandwidth: up to 250 MHz

AC or DC coupled

Compatible with optical accessories

M4 mounting hole

Designed for effective heat dissipation

Integrated fan

External TEC controller required

Specification (Tamb = 293 K)

Parameter
Conditions, remarks
Typical value
Unit
Low cut-off frequency, flo   DC, 10, 100, 1k, 10k Hz
High cut-off frequency, fhi
100k, 1M, 10M, 100M, 250M Hz
Transimpedance, Ki
Fixed up to 200 kV/A
Output impedance, Rout
50 Ω
Output voltage swing, Vout fhi ≤ 1 MHz, Rload = 1 MΩ

fhi > 1 MHz, Rload = 50 Ω

±10

±1

V
Output voltage offset, Voff
max. ±20
mV
Power supply voltage, Vsup
fhi ≤ 1 MHz, Rload = 1 MΩ

fhi >1 MHz, Rload = 50 Ω

±15

±9

V
Power supply current, Isup max.±50 mA
TEC volatge, VTEC With 2TE cooled detectors

With 3TE cooled detectors

With 4TE cooled detectors

max. 1.0

max. 3.6

max. 8.3

V
TEC current, ITEC With 2TE cooled detectors

With 3TE cooled detectors

With 4TE cooled detectors

max. 1.2

max. 0.45

max.0.4

A
Fan power consumption, Pfan max. 900 mW
Weight 180 g

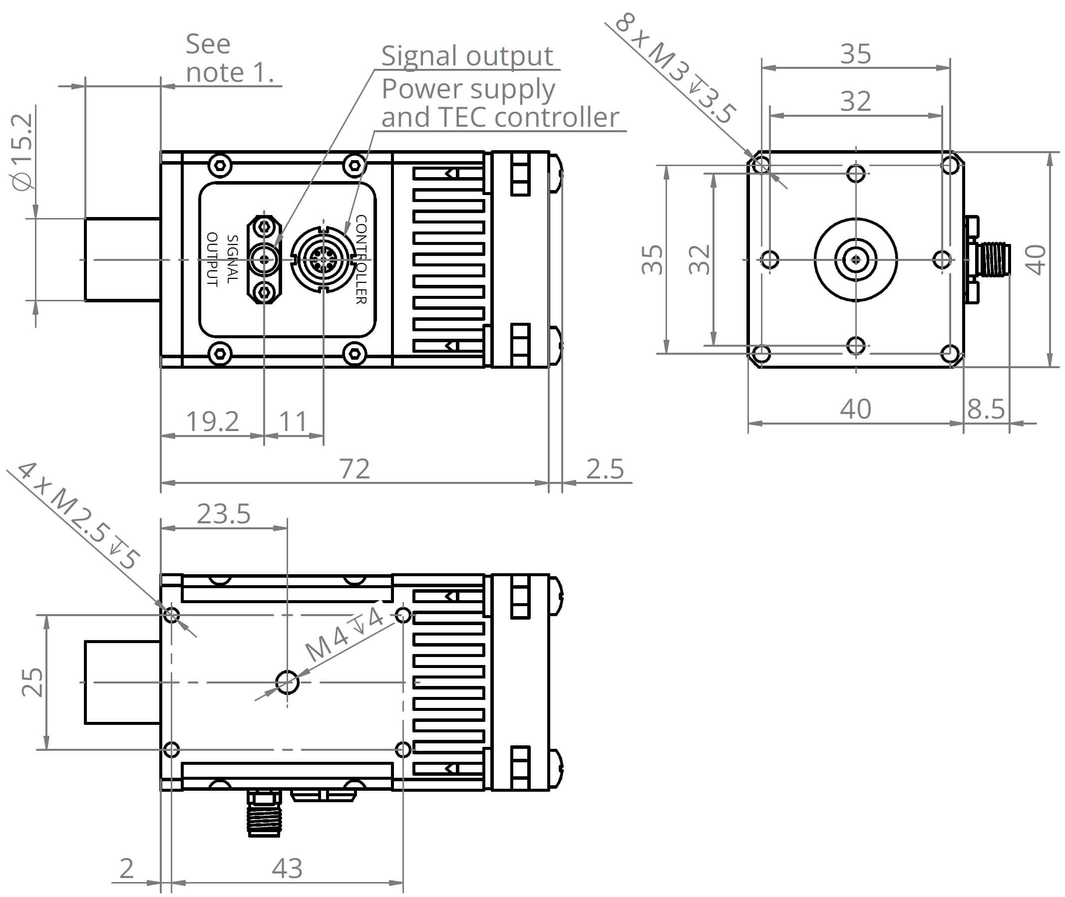
Mechanical layout (unit: mm)

Note 1. TO8 detector dimensions in the TO8 package technical drawings.

form-close

Access to file

Access to this file is limited. In order to download it, please provide all the information and submit the form.

download-icon

Application notes password-padlock

Temperature sensor characteristics

I agree to the processing of personal data with the VIGO Privacy Policy

green-checkmark

Thank you!

This file has been sended to your e-mail.

For more information, please contact us


    SalesSupport

    Tech-supportWarrantyNone