home-icon/Products / Infrared Detections Modules / Selected Products / InAsSb programmable LWIR detection module LabM-I-13

Programmable IR detection module based on InAsSb thermoelectrically cooled optically immersed photovoltaic detectorLabM-I-13

LabM-I-13 is a detection module featuring a TE-cooled, optically immersed photovoltaic IR detector based on an InAsSb heterostructure (PVIA-4TE-13-1x1-TO8-wZnSeAR-36), integrated with a programmable, transimpedance amplifier (PIP series).
For proper operation, the VIGO programmable thermoelectric cooler controller PTCC-01 (sold separately) and Smart Manager Software (freeware) are required.
The LabM-I-13 detection module comes complete with PTCC-01 and Smart Manager Software, making it the best solution for prototyping and the R&D stage in various LWIR applications. This set provides a flexible approach to the different needs of system designers.

Features

Spectral range: 1.8 to 13.8 µm

RoHS-compliant III-V material

Frequency bandwidth: DC to 75 MHz (typ.)

High performance and reliability

DC offset compensation

Integrated fan

M4 mounting hole

VIGO PTCC-01 TEC controller obligatory

Compatible with optical accessories

Versatile and flexible

Quantity discounted price

No minimum order quantity required

Applications

FTIR spectroscopy

Gas detection, monitoring and analysis: C2H6

Toxic gas detection

Gas leak detection

Detection module configuration

Detection module symbol LabM-I-13
Detector symbol PVIA-4TE-13-1x1-TO8-wZnSeAR-36
Detector type photovoltaic
Active element material epitaxial InAsSb superlattice heterostructure
Optical area, Ao 1 mm × 1 mm
Optical immersion hyperhemisphere
Cooling 4TE (Tchip≅200K)
Temperature sensor thermistor
Acceptance angle, Φ ~36 deg.
Window wZnSeAR (3 deg. wedged zinc selenide, anti-reflection coating)
Amplifier symbol PIP
Amplifier type programmable, transimpedance
Signal output socket SMA
Power supply, TE cooler, thermistor and fan socket LEMO ECG.0B.309.CLN (female)

Specification

(Tamb = 293 K, Tchip = 200 K, Rload = 50 Ω, unless otherwise noted; default module settings)

Parameter Test conditions, remarks Value Unit
Min. Typ. Max. -
Active element temperature, Tchip - 200 - K
Cut-on wavelength, λcut-on (10%) At 10% of the peak responsivity - 1.8 - µm
Peak wavelength, λpeak - 10.5 - µm
Cut-off wavelength, λcut-off (10%) At 10% of the peak responsivity - 13.8 - µm
Detectivity, D* At λ=λpeak, f=10MHz - 1.4×109 - cm×Hz1/2/W
Output noise voltage density, vn At f=10MHz - 450 - nV/Hz1/2
Voltage responsivity, Rv At λ=λpeak - 6.5×103 - V/W
Low cut-off frequency, flo-DC DC coupling selected - 0 - Hz
Low cut-off frequency, flo-AC AC coupling selected - 10 - Hz
High cut-off frequency, fhi-H High bandwidth selected - 75 - MHz
High cut-off frequency, fhi-M Mid bandwidth selected - 15 - MHz
High cut-off frequency, fhi-L Low bandwidth selected - 1.5 - MHz
Output impedance, Rout - 50 -
Output voltage swing, Vout - - ±1 V
Output voltage offset, Voff - - ±20 mV
Power supply voltage (positive), +Vsup - +9 - V
Power supply voltage (negative), -Vsup - -9 - V
Power supply current consumption (positive), +Isup - - +100 mA
Power supply current consumption (negative), -Isup - - -100 mA
Fan power consumption, Pfan - - 900 mW
TEC voltage, VTEC - - 8.3 V
TEC current, ITEC - - 0.4 A
Weight - 180 - g

Spectral response

(Typ., Tamb = 293 K, Tchip = 200 K)

Line graph showing detectivity (D*) versus wavelength (λ, in µm). Detectivity peaks around 2–12 µm, reaching above 1E+09 cm·Hz¹ᐟ²/W, and declines sharply below 2 µm and above 13 µm.

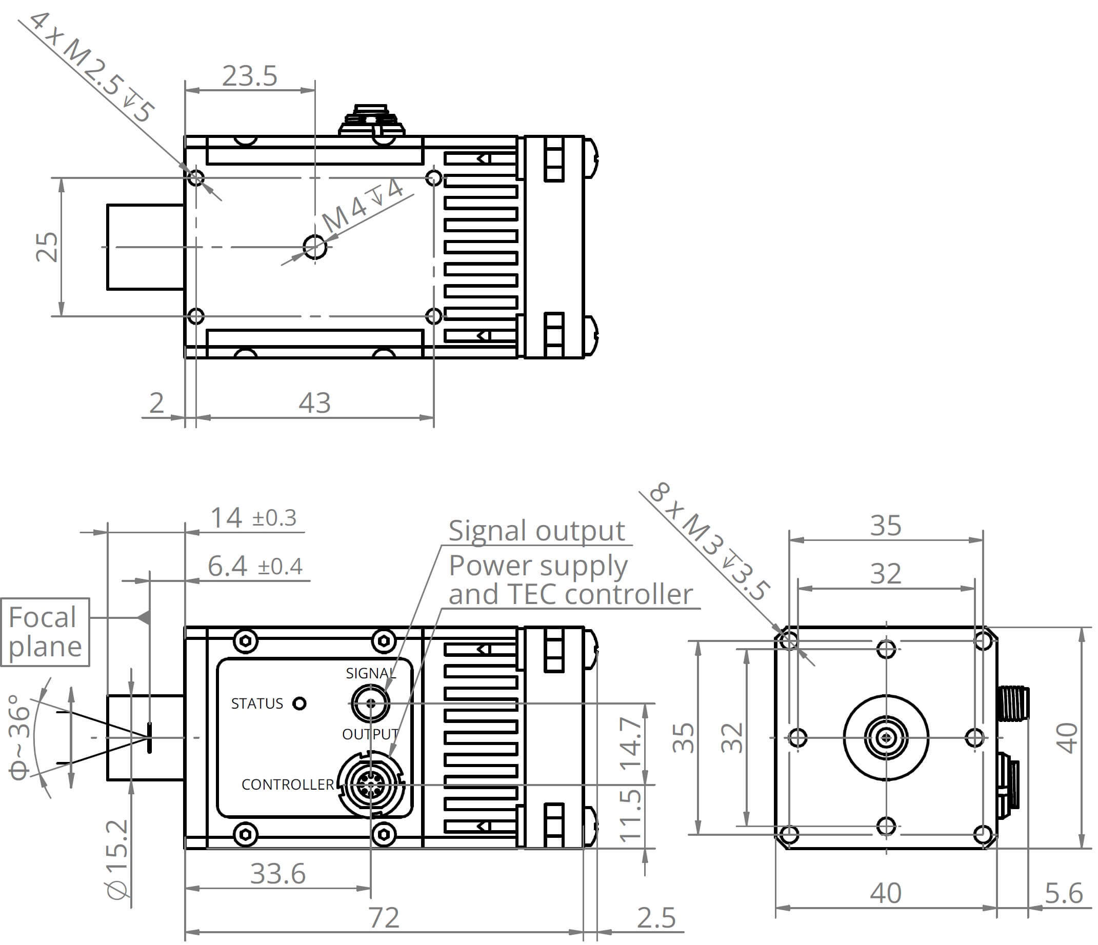
Mechanical layout (unit: mm)

Technical drawing of a rectangular electronic device with labeled measurements, mounting holes, connectors, vents, and ports. Views include top, front, and side elevations with detailed dimensions in millimeters.
form-close

Access to file

Access to this file is limited. In order to download it, please provide all the information and submit the form.

download-icon

Application notes password-padlock

Temperature sensor characteristics

I agree to the processing of personal data with the VIGO Privacy Policy

green-checkmark

Thank you!

This file has been sended to your e-mail.

For more information, please contact us


    SalesSupport

    Detectors ModulesEPI-wafers