home-icon/Products / Infrared Detections Modules / HgCdTe (MCT) Multi Channel... / HgCdTe "all-in-one" MWIR quadrant detection module QM-5

“All-in-one” IR detection module based on HgCdTe thermoelectrically cooled photovoltaic quadrant detectorQM-5

QM-5 is an “all-in-one” infrared position detection module. A thermoelectrically cooled photovoltaic quadrant detector, based on an HgCdTe heterostructure, is integrated with a DC-coupled four-channel transimpedance amplifier, a fan, and a thermoelectric cooler controller in a compact housing. It is designed for applications requiring accurate beam positioning and displacement monitoring.

Features

Spectral range: 3.5 to 6.0 µm

Frequency bandwidth: DC to 1.0 MHz (typ.)

Low crosstalk

Integrated TEC controller and fan

M4 mounting hole

Single power supply

Compatible with optical accessories

Detector and detector chip options available for custom integration

Applications

Laser measurements: power monitoring and control, beam profiling and positioning, calibration

Contactless temperature measurement: railway transport, industrial and laboratory processes monitoring

Flame and explosion detection

Threat warning systems

Heat-seeking, thermal signature detection

Gas detection, monitoring and analysis: CH4, C2H2, CH2O, HCl, NH3, SO2, C2H6, CO, CO2, NOx

Breath analysis: C2H6, CH2O, NH3, NO, OCS

Detection module configuration

Detection module symbol QM-5
Detector type photovoltaic
Active element material epitaxial HgCdTe heterostructure
Active area of a single element, A 0.2 mm × 0.2 mm
Number of elements 4 (2 rows, 2 columns)
Active area pitch, mm 0.22 (horizontally)

0.22 (vertically)

Optical immersion no
Cooling 3TE (Tchip≅230K)
Temperature sensor thermistor
Acceptance angle, Φ ~70 deg.
Window pSiAR (planar silicon, anti-reflection coating)
Amplifier type four-channel, transimpedance
Signal output socket 4 x MCX
Power supply socket DC 2.1/5.5

Specification

(Tamb = 293 K, Tchip = 230 K, Rload = 1 MΩ, each channel)

Parameter Test conditions, remarks Value Unit
Min. Typ. Max. -
Active element temperature, Tchip - 230 - K
Cut-on wavelength, λcut-on (10%) At 10% of the peak responsivity - 3.5 - µm
Peak wavelength, λpeak - 4.7 - µm
Specific wavelength, λspec - 5.0 - µm
Cut-off wavelength, λcut-off (10%) At 10% of the peak responsivity - 6.0 - µm
Detectivity, D* At λ=λpeak, f=100kHz

At λ=λspec, f=100kHz

-

 

-

9.0×109

 

8.8×109

-

 

-

cm×Hz1/2/W
Output noise voltage density, vn At f=100kHz - - 0.5 μV/Hz1/2
Voltage responsivity, Rv At λ=λpeak

At λ=λspec

-

-

1.6×105

1.5×105

-

-

V/W
Low cut-off frequency, flo DC coupling - 0 - Hz
High cut-off frequency, fhi - 1.0 - MHz
Output impedance, Rout - 50 -
Output voltage swing, Vout - 0-4 - V
Output voltage offset, Voff - - ±20 mV
Power supply voltage, Vsup - +7.5 - V
Power supply current consumption, Isup - - 2.0 A

Spectral response

(Typ., Tamb = 293 K, Tchip = 230 K, each channel)

A line graph shows detectivity (D*, cm·Hz¹ᐟ²/W) versus wavelength (λ, μm), with a curve peaking between 4–5 μm and declining at both ends, within the 3–6.5 μm wavelength range.

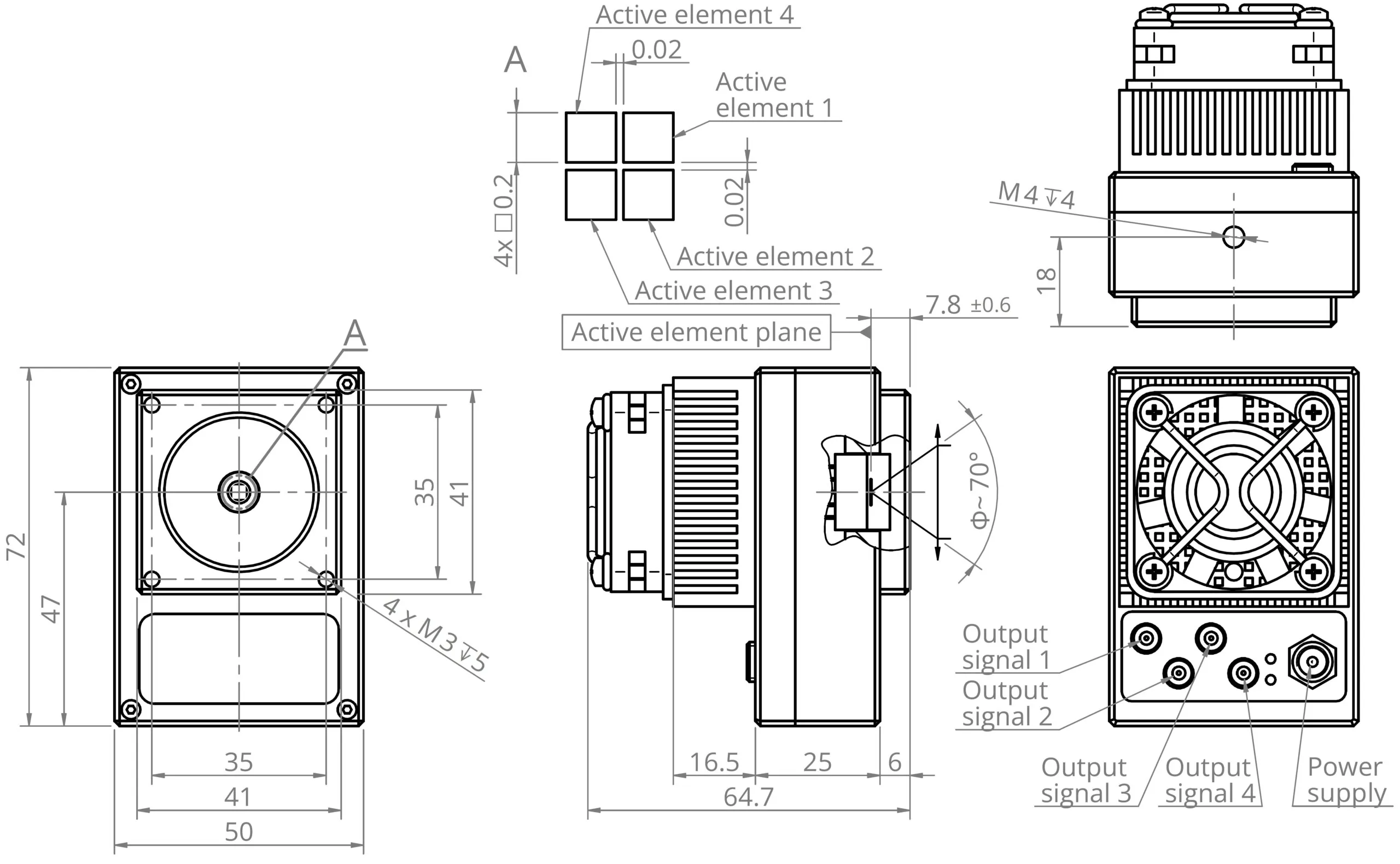
Mechanical layout (unit: mm)

Technical drawing of an electronic device with multiple views, showing detailed dimensions, labels for active elements, output signals, power supply, mounting holes, and various measurements in millimeters.
form-close

Access to file

Access to this file is limited. In order to download it, please provide all the information and submit the form.

download-icon

Application notes password-padlock

Temperature sensor characteristics

I agree to the processing of personal data with the VIGO Privacy Policy

green-checkmark

Thank you!

This file has been sended to your e-mail.

For more information, please contact us


    SalesSupport

    Detectors ModulesEPI-wafers